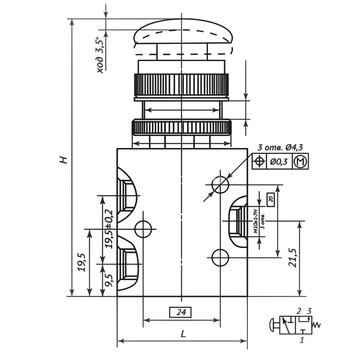
Пневмораспределитель MVS98321PB (ПРК 3.2)
✓ Сертифицированное оборудование
✓ Гарантия надежной эксплуатации
✓ Контроль качества на каждом этапе
✓ Современное оборудование
✓ Быстрая отгрузка
Технические характеристики:
Условный проход , мм.: 4
Номинальное давление, МПа: 1
Напряжение, В.: 12,24,38,48 ( постоянный ток)
110,220,380 (переменный ток)
Пропускная способность, Kv, м³/ч, не менее: 0,25

Пневмораспределители MVS98321PB (ПРК 3.2) являются трехлинейными устройствами для изменения направления потоков сжатого воздуха в пневматических приводах и управляемых системах.
Пневмораспределители П-РК.3.1 (2, 3, 4, 5, 6, 7) представляют собой двухпозиционные трехлинейные нормально закрытые клапанные распределители с ручным, механическим и пневматическим управлением.
Назначение пневмораспределителей П-РК3:
- П-РК3.1 — кнопка запуска;
- П-РК3.2 — кнопка остановки;
- П-РК3.3 — тумблер;
- П-РК3.4 — двустороннее механическое управление (концевик);
- П-РК3.5 — одностороннее механическое управление (ломающийся ролик);
- П-РК3.6 — одностороннее пневматическое управление;
- П-РК3.7 — толкатель.