Пневмораспределитель У 71-22А
✓ Сертифицированное оборудование
✓ Гарантия надежной эксплуатации
✓ Контроль качества на каждом этапе
✓ Современное оборудование
✓ Быстрая отгрузка
Технические характеристики:
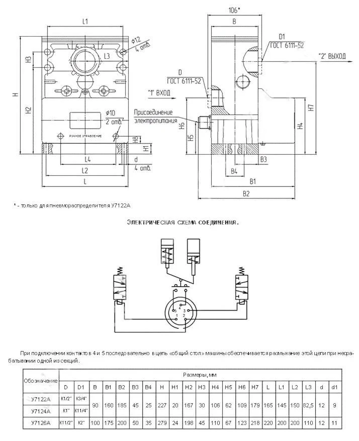
Условный проход , мм.: 16
Присоединительные резьбы по ГОСТ6111-52:
вход D1 - К1/2"
выход D2 - м
Номинальное давление, МПа: 1
Напряжение, В.: 12,24,38,48 ( постоянный ток)
110,220,380 (переменный ток)
Масса, кг.: 6,7

Технические характеристики
Пневмораспределитель У71-22А имеет клапанный тип распределительного устройства и выпускается для напряжений 24 В или 110 В.
В корпусе имеются резьбовые конические отверстия «Вход/Выход»: K½" и K¾" (для разных размеров – в зависимости от версии).
Виброустойчивость и вибропрочность соответствуют III классу жесткости по ГОСТ 28988.
Распределитель можно устанавливать на обратной поверхности в любом пространственном положении и крепить четырьмя винтами через отверстия в корпусе или в его основании.
Степень защиты У71-22А, У71-24А, У71-26А от внешних факторов и степень защиты персонала от соприкосновения с токоведущими частями — IP20 по ГОСТ 14254-96.
В зависимости от производителя данный тип пневмораспределителей может иметь маркировку У71-22А (производство РФ) или ЗМП16(М) (производство Украина).
Назначение и область применения
Пневмораспределители типа У71-2..А относятся к группе трехлинейных сдвоенных устройств с пневматической блокировкой, односторонним электропневматическим возвратом и ручным дублированным управлением. Эти устройства применяют для управления кузнечно-прессовыми и другими машинами. У71-2..А работают на сжатом воздухе давления от 0,25 МПа до 1,0 МПа, очищенном по ГОСТ 17433 не хуже 10 класса загрязнения, содержащем розовую распылённую масло вязкостью 10... мм²/с при температуре 50°C и концентрацией распылённого масла 2...4 капли на 1 м³ воздуха, приведённом к условиям по ГОСТ 12449.
В зависимости от производителя маркировка может быть У71-2..А (производство РФ) или ЗМП.. (производство Украина).
Установку осуществляют на обратной поверхности в любом пространственном положении, крепление четырьмя винтами через отверстия в корпусе или основании.
У71-22А, У71-24А, У71-26А являются трехлинеейными сдвоенными, с пневматической блокировкой, односторонним электропневматическим возвратом, пневматическим возвратом и ручным дублированием потока сжатого воздуха, предназначенными для управления потоком сжатого воздуха в пневмоприводах кузнечно-прессовых и других машин с одноручными, двуручными или педальными системами управления.
У71-распределители выпускаются с условными проходами 16, 25 и 40 мм.
Применение на кривошипных прессах:
У71-22А — КД2320, КД2120, КД2322, КД2122, КД2130, КД2330;
У71-24А — КД2324, КД2124, КД1424, КД2326, КД2126, КД1426, КД2328, КД2128, КД1428, КД2130, КД2330.