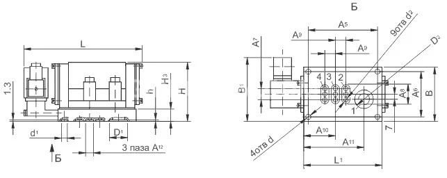
Пневмораспределитель В64-34А-05
✓ Сертифицированное оборудование
✓ Гарантия надежной эксплуатации
✓ Контроль качества на каждом этапе
✓ Современное оборудование
✓ Быстрая отгрузка
Технические характеристики:
Условный проход, мм: 16
Номинальное давление, МПа: 0,63
Тип монтажа: стыковое
Масса , кг.: 1,2

Пневмораспределители В64-23А-03, В64-24А-03, В64-25А-03, В64-33А-03, В64-34А-03 с резьбовым присоединением к пневмолиниям являются четырехлинейными двухпозиционными устройствами с односторонним электроприводом и возвратом — пружинным или пневматическим, и предназначены для изменения направления потока сжатого воздуха в пневматических приводах станков и станочного оборудования.
В этой серии распределителей (В64) поток сжатого воздуха направляется через пару плоский золотник — плита. Золотник с канавкой перемещается так, чтобы перекрывать пары отверстий, которые соединены с плоской поверхностью пластины и выходят к резьбовым отверстиям для присоединения пневмолиний.
В пневмораспределителях с односторонним электропневматическим управлением В64-23А-03, В64-24А-03, В64-25А-03, В64-33А-03, В64-34А-03 перемещение поршня 2 вместе с золотником 1 выполняется при подаче напряжения на катушку электропневматического клапана 7, в результате чего сжатый воздух из электропневматического клапана подводится к соответствующему торцу поршня. Чтобы перевести поршень в другое крайнее положение, необходимо снять напряжение с катушки электропневматического клапана.
Климатические исполнения пневмораспределителей В64 УХЛ4 и О4 (использование только в районах с тропическим климатом) выполняются по ГОСТ 15150—69.
Работают пневмораспределители В64 на сжатом воздухе, очищенном не грубее 10 класса загрязненности по ГОСТ 17433—80, содержащем распыленное масло вязкостью 10—35 мм²/с (сСт) при температуре 50 °C и концентрацией масла 2—4 капли на 1 м³ воздуха, приведенного к условиям по ГОСТ 12449—80.