радиально-поршневой насос 50НР32 (аналог НПР32/50)
✓ Сертифицированное оборудование
✓ Гарантия надежной эксплуатации
✓ Контроль качества на каждом этапе
✓ Современное оборудование
✓ Быстрая отгрузка
Технические характеристики:
Номинальная подача, л/мин: 44
Номинальное давление на выходе, МПа: 50
Частота вращения, об./мин.: 1500
Масса, кг: 39

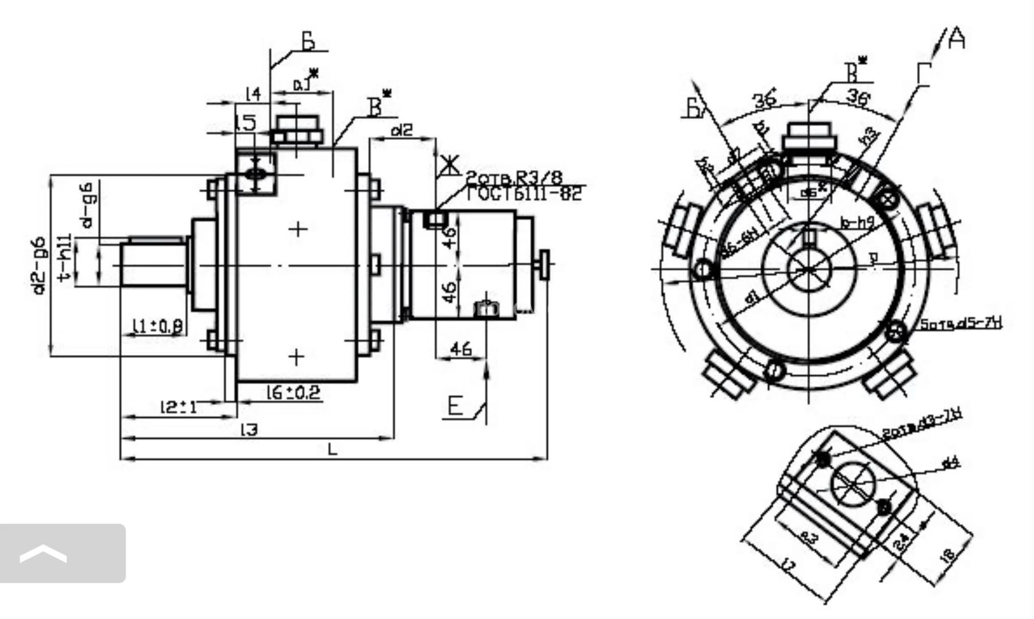
Нерегулируемые радиально-поршневые насосы типа 50НР (50НР4, 50 НР6,3, 50НР8, 50НР10, 50НР14, 50НР16, 50НР32, 50НР63) предназначены для использования в общепромышленных гидроприводах, соответствующих требованиям ГОСТ 17411-91, и обеспечивают постоянный поток жидкости. Эти насосы бывают одноотводными (50 НР и двухотводными 50 НР.../2) и секционными (одноотводные 50НС и двухотводные 50 НС.../2). Они способны обеспечить один или два потока рабочей жидкости с максимальным давлением до 50 МПа. Модели 50 НР4, 50 НР6,3, 50 НР14, 50 НР16 и 50 НР32 подходят для работы с минеральными маслами с вязкостью от 21 до 265 мм²/с при температурах от 10 до 50 °С и окружающей среде от 0 °С до 50 °С. В качестве рабочих жидкостей рекомендуются минеральные масла, такие как ВНИИ НП-403 по ГОСТ 16728-78, ИГП-30, ИГП-38 и ИГП-49 по ТУ 38 101413-78. Номинальная степень фильтрации масла составляет 40 мкм для насосов типа 50 НР, а класс чистоты рабочей жидкости равен 14 по ГОСТ 17216-71. Направление вращения насоса - правое, с возможностью изготовления насосов с левым вращением, а его положение в работе может быть горизонтальным или вертикальным (носок вала вверх). Насосы с рабочим объемом 500 см³ используются только в горизонтальном положении.
Секционные насосы включают в себя два агрегата: радиально-поршневой насос высокого давления 50HР и пластинчатый насос низкого давления типа БГ12-4 или насос 25 по ГОСТ 13167-62.
Конструкция радиально-поршневого насоса основана на радиальном расположении поршней с качающейся осью. Приводной эксцентриковый вал насоса опирается на два подшипника. На эксцентрик вала установлены два ряда цилиндров, каждый из которых состоит из пяти цилиндров (для небольших насосов может быть меньше). Поршни имеют сферические головки, которые взаимодействуют с подпятниками, формируя подвижные соединения. Каждая пара поршень–подпятник помещена в радиальную расточку корпуса, где находятся нагнетательные клапаны и отверстия, образующие нагнетательные коллекторы. Поршни зажаты в расточках корпуса с помощью блока клапана. Нагнетательный клапан притягивается к седлу пружиной, а также присутствует отверстие для всасывания жидкости в насос.
При всасывании рабочая жидкость поступает из внутренней полости насоса в рабочую камеру, образованную цилиндром и поршнем, через пазы на эксцентрике. Нагнетание происходит, когда перекачиваемая жидкость проходит через нагнетательные клапаны в коллектор. Пластинчатый насос крепится к радиально-поршневому насосу, и его работа осуществляется через муфту. Уплотнение соединения пластинчатого насоса с задней крышкой поршневого насоса обеспечивает специальное уплотнение.