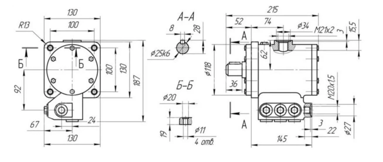
радиально-поршневой насос Н400У
✓ Сертифицированное оборудование
✓ Гарантия надежной эксплуатации
✓ Контроль качества на каждом этапе
✓ Современное оборудование
✓ Быстрая отгрузка
Технические характеристики:
Номинальная подача, л/мин: 5,5
Номинальное давление на выходе, МПа: 20
Частота вращения, об./мин.: 1500
Масса, кг: 15

Насосы Н400 У, Н401 У и Н403 У представляют собой радиально-поршневые модели с эксцентриковым валом и нереверсивным принципом работы, предназначенные для использования в общепромышленных гидроприводах, где требуется давление до 40 МПа и поток рабочей жидкости, который невозможно регулировать. Эти насосы, входящие в серию Н400, находят применение в отраслях промышленности, требующих высокого давления (до 400 бар),а также в прессовом оборудовании и установках для обработки полимеров, зажимах станков и других областях машиностроения, где необходимо поддерживать давление до 40 МПа. Нереверсивные радиально-поршневые насосы с эксцентриковым приводом способны работать при таких высоких давлениях.
Эти насосы работают на чистом минеральном масле с кинематической вязкостью от 21 до 211 сСт при температуре от +10 до +50 °С, а температура окружающей среды должна быть в диапазоне от 0 до +50 °С. Масло, используемое в насосах серии Н400, должно быть очищено не грубее 13 класса по стандарту ГОСТ 17216-71, с номинальной тонкостью фильтрации не более 25 мкм. Рекомендуемые марки масел включают ИГП-30, ИГП-49 ТУ.3.810.1413-97; ВНИИ ИП-403 по ГОСТ 16728-78 и индустриальные И-20А - И-40А по ГОСТ 20799-88.
Корпус насоса 1 и крышки 5 и 13 формируют картер насоса, который заполнен маслом. На корпусе 1 предусмотрены отверстия для крепления с помощью болтов на кронштейне. В расточках корпуса на подшипниках 15 установлен приводной вал 2, имеющий три эксцентрика. Уплотнение между рабочим валом 2 и крышкой 5 выполняется манжетой 4.
При вращении вала 2 эксцентрики, через гидростатические подпятники 6, воздействуют на поршни 7, которые размещены в расточках корпуса и закрыты пробками 9. Эти пробки также служат упорами для пружин 8 возврата поршней 7. Подпятники 6 закреплены с помощью сферического шарнира и специальных скоб 11.
Во время работы насоса и вращения вала 2, рабочая камера "F" заполняется рабочей жидкостью через отверстия в поршне и подпятнике, для чего на эксцентриках имеются вырезы. К каждому поршню перпендикулярно установлен нагнетательный клапан, состоящий из пружины 23, шарика 24 и седла 22, прижатого к корпусу упором 21. Через нагнетательный клапан рабочая жидкость под давлением направляется к рабочим органам оборудования.
Перед запуском радиально-поршневого реверсивного насоса серии Н400У необходимо открыть кран подачи масла из бака и заполнить насос маслом, а также открутить болт для стравливания воздуха с корпуса насоса. Далее следует прокрутить насос вручную через вал привода или осуществить несколько кратковременных запусков электродвигателя, чтобы обеспечить заполнение всей системы маслом. После появления чистого масла из насоса нужно закрутить болт и прокрутить насос с помощью электродвигателя в течение нескольких толчков по 10-15 секунд для проверки корректности установки.
Если насос серии Н400У не работал длительное время, перед запуском следует провести пробную работу без нагрузки в течение 3-5 минут, в ходе которой необходимо удалить воздух из гидросистемы. Запуск насоса под нагрузкой после длительного простоя запрещен.
Во время эксплуатации необходимо следить за чистотой масла. Наличие механических примесей, воды или воздуха в рабочей жидкости, которые могут попасть в насос в процессе сборки и эксплуатации, приводит к снижению его долговечности. Если вязкость масла изменяется более чем на 20%, его следует заменить.
Проходные сечения труб должны соответствовать размерам присоединительных отверстий, недопустимо уменьшение сечений и деформации труб. Смешивание различных марок масел запрещено. Во время работы насоса необходимо периодически добавлять масло для поддержания нужного уровня в маслобаке.
Примеры применения радиально-поршневых насосов включают: Н401Е - гидравлический вулканизационный пресс, модель 250-600 4Э, и Н403Е - гидравлический пресс П5897.
Принцип работы описывается на примере насоса Н400 (Н400У),для других насосов этой серии указаны лишь отличия в конструкции. Корпус насоса, вместе с крышками, образует картер, заполненный маслом из бака. Он имеет отверстия для крепления насоса к кронштейну или плите. Внутри корпуса установлены подшипники, в которых вращается эксцентриковый вал с тремя эксцентриками. Эксцентрики взаимодействуют с поршнями, находящимися в расточках корпуса, через гидростатические подпятники. Эти расточки закрыты пробками, которые также служат упорами для возвратных пружин поршней. Рабочая камера насоса заполняется через осевые отверстия в поршне и подпятнике из полости картера, при этом на эксцентриках предусмотрены вырезы. Напротив каждого поршня установлен нагнетательный клапан, состоящий из шарика, пружины и седла, которое притянуто к корпусу насоса.
Рабочая жидкость выталкивается из камеры через нагнетательный клапан. Для соединения насоса с гидросистемой нагнетательный трубопровод крепится к корпусу с помощью штуцера, уплотняемого медной прокладкой. Уплотнение валов и крышки осуществляется манжетой. Для улучшенного заполнения подвод жидкости к картерной полости производится с подпором 0,05—0,1 кгс/см². Масло подается в картер, где вращается эксцентриковый вал, и в зависимости от положения эксцентриков и поршней осуществляется цикл всасывания или нагнетания.
Насосы серии Н400 следует устанавливать в безопасных и удобных для обслуживания местах, причем их расположение должно быть горизонтальным с всасывающим отверстием сверху. Крепление производится с помощью фланца на корпусе и посадочного места на передней крышке. Насосы с эксцентриковым валом фиксируются на лапах корпуса, а крепление должно быть жестким, чтобы избежать вибраций. Установку необходимо производить на дне маслобака или на линии нагнетания давления вспомогательного насоса. Высота подпора масла от оси вала должна составлять от 500 до 1000 мм масляного столба.
Привод насоса серии Н400 должен быть нереверсивным и осуществляться с помощью упругой муфты, не создающей осевых и радиальных нагрузок. Смещение осей валов должно составлять не более 0,1 мм, а угол излома — не более 0,5°. Все трубопроводы перед монтажом необходимо очистить от посторонних частиц, а гнутые и сварные трубопроводы тщательно промыть. Для защиты насоса от давления, превышающего допустимое значение, в линию нагнетания следует установить предохранительный клапан.