Регулятор потока FG 03 28 22UG Vickers
✓ Сертифицированное оборудование
✓ Гарантия надежной эксплуатации
✓ Контроль качества на каждом этапе
✓ Современное оборудование
✓ Быстрая отгрузка
Основные параметры :
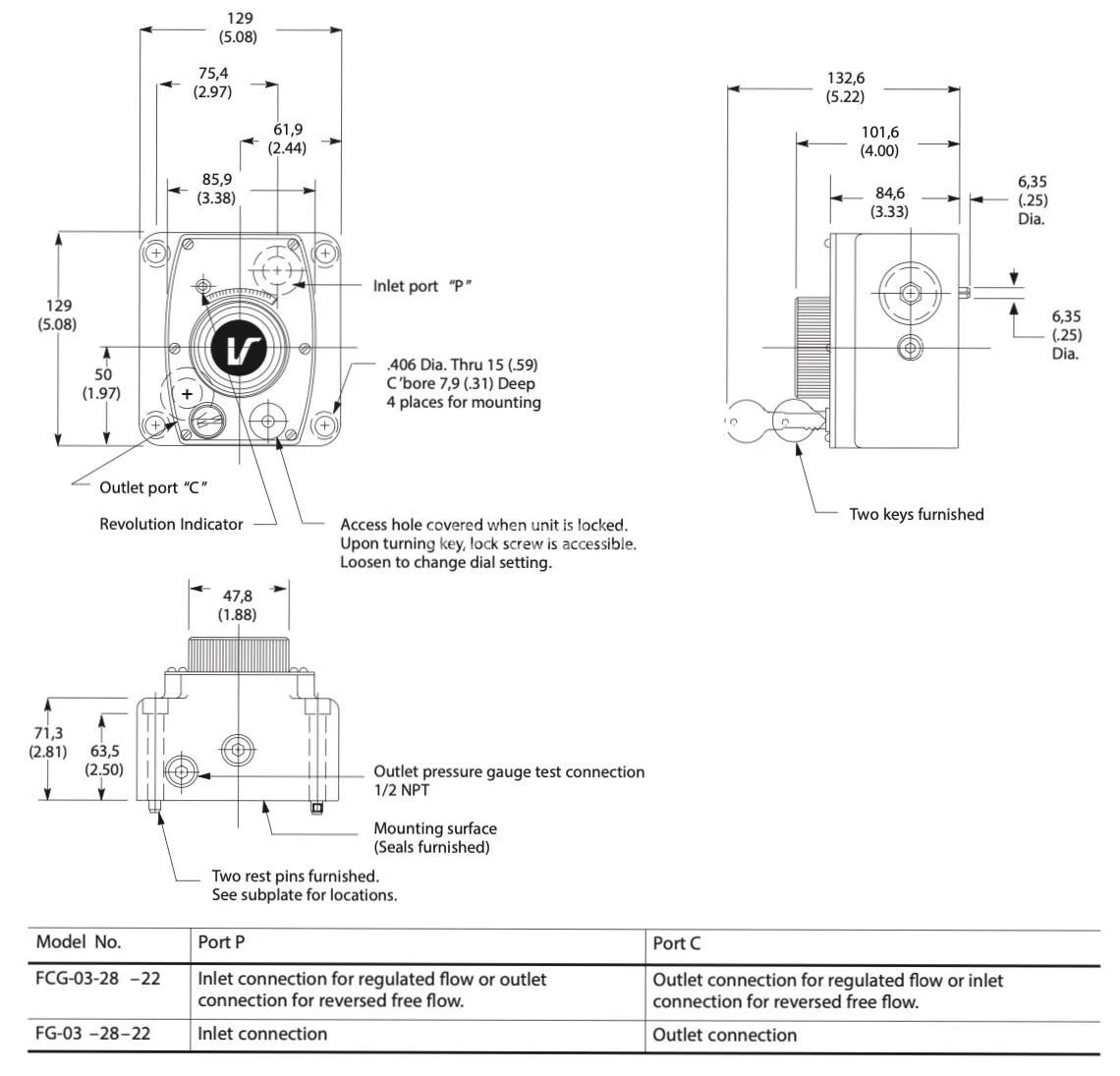
Условный проход , мм: 16
Давление ном., МПа: 20
Ном. расход на входе, л/мин: 40
Масса, кг: 4

Эти клапаны с компенсацией давления предназначены для обеспечения регулируемого и контролируемого расхода независимо от изменений входного и/или выходного давления выше минимального перепада. Модели выпускаются как с встроенными обратными клапанами обратного потока, так и без них. Клапаны, оснащённые обратными клапанами, могут дополнительно иметь опцию защиты от скачков давления, которая устраняет кратковременные резкие повышения давления выше заданного значения, когда поток сначала направляется во впускной порт A. Все образцы имеют поворотную настройку регулируемого расхода и могут поставляться с встроенным замком или без него.
На оборотной стороне показана конструкция типовой модели со встроенным обратным клапаном и функцией защиты от скачков давления. Принцип действия аналогичен принципу работы аналогичных клапанов, описанных в руководстве «Промышленная гидравлика», хотя подпружиненный гидростат функционально расположен ниже по потоку от регулируемого ограничителя, как указано в разделе «Функциональные символы». Клапаны F(C)G обеспечивают компенсацию давления и температуры, что позволяет точную регулировку расхода независимо от изменений нагрузки по давлению или температуры. Регулировка расхода доступна во всем диапазоне.
Дополнительная настройка трима на типоразмере F(C)G –02 позволяет подбирать примерно 8% от установленного расхода, если запорное устройство клапана заблокировано. В наличии опция проверки обратного свободного потока.
Для клапана типа F(C)G доступна регулировка подач с защитой от несанкционированного доступа.
Эти клапаны подходят для систем с давлением до 248 бар (3600 psi) и охватывают диапазон расхода до 106 л/мин (28 галлонов США/мин).