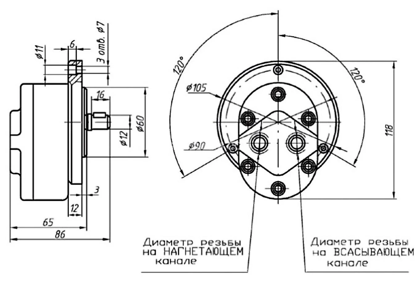
шестеренчатый насос АГ11-11 (8л.)
✓ Сертифицированное оборудование
✓ Гарантия надежной эксплуатации
✓ Контроль качества на каждом этапе
✓ Современное оборудование
✓ Быстрая отгрузка
Технические характеристики:
Номинальная подача, л/мин: 8
Номинальное давление на выходе, МПа: 0,5
Частота вращения, об./мин.: 1450
Масса, кг: 2,2

Насос АГ11-11 с рабочим объемом 8,0 см³ и номинальной подачей 8 л/мин, обладающий фланцевым креплением, предназначен для стабильной подачи однонаправленного потока минерального масла. Он может работать с маслами с кинематической вязкостью в диапазоне от 10 до 400 мм²/с при температуре от 10 до 55°С. Эта модель используется в системах смазки металлообрабатывающих станков и различных стационарных промышленных установок.
Минимальная вязкость ограничена смазывающей способностью перекачиваемой жидкости, в то время как максимальная зависит от мощности электродвигателя и способности насоса к всасыванию. Насос также допускается к использованию в гидравлических системах.
Шестеренный насос АГ11-11 находит применение в технологическом оборудовании для:
- Смазки трущихся деталей и узлов.
- Генерации рабочего давления в гидросистемах на выходе до 5 атм (0,5 МПа).
Масляные системы должны быть оборудованы фильтрами с фильтрацией не более 40 мкм, установленными на напорной или сливной линии. Чистота рабочей жидкости должна соответствовать не менее 13 классу по ГОСТ 17216-71. Насосы производятся в соответствии с климатическим исполнением и категорией размещения по ГОСТ 15150-69.
Насосы могут иметь следующие варианты крепления:
- Г11-1 – крепление на лапах.
- АГ11-1 – фланцевое крепление.
В стандартной версии гидронасосы изготавливаются с правым вращением вала, однако по запросу клиента возможно изготовление насосов с левым вращением (обозначение с литерой «Л») или с реверсивным вращением (литера «Р» в обозначении),позволяющим изменять направление потока перекачиваемой жидкости.
Привод насосов должен быть осуществлен через упругую муфту, которая компенсирует колебания, ударные нагрузки и несоосность валов. Насосы могут устанавливаться как в горизонтальном, так и в вертикальном положениях на жестком основании, исключающем вибрации. В агрегатах ВГ11-11А и ДВГ11-11А насос может быть погружен в жидкость.