станция смазочная многоотводная (лубрикатор) СН5М 11-02
✓ Сертифицированное оборудование
✓ Гарантия надежной эксплуатации
✓ Контроль качества на каждом этапе
✓ Современное оборудование
✓ Быстрая отгрузка
Технические характеристики:
Число отверстий: 2
Вместительность бака, дм:2,5
Масса, кг: 8

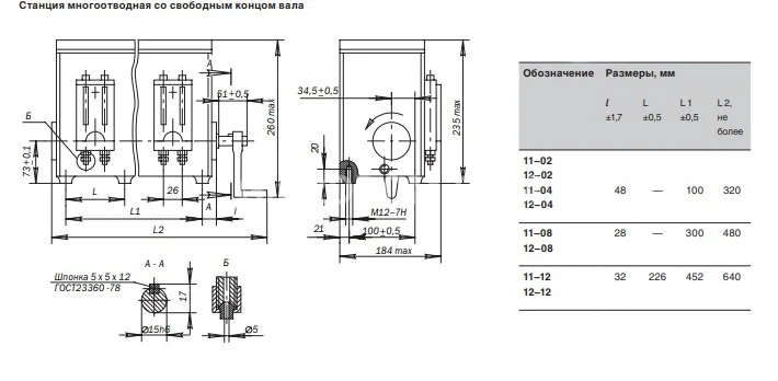
Станции смазочные многоотводные СН5М (модификации 42-04, 41-08, 42-08, 41-12, 42-12, 41-04, 11-02, 11-04, 12-04, 11-08 и других вариантов) применяются для подачи смазочного материала (жидкого, промышленные масла) под номинальным давлением 10 МПа и кинематической вязкостью от 10 до 1500 cSt к трущимся частям станков, агрегатов и автоматического оборудования, эксплуатируемым в закрытых помещениях при температуре смазки и окружающей среды от +1 до +55 °С. Класс чистоты смазки не ниже 12.
Для разнообразия исполнений станции смазочные многоотводные типа СН5М (такие как 11-02, 12-02, 21-02, 22-02, 31-02, 32-02, 41-02, 42-02, 11-04, 12-04, 21-04, 22-04, 31-04, 32-04, 41-04, 42-04, 11-08, 12-08, 21-08, 22-08, 31-08, 32-08, 41-08, 42-08, 11-12, 12-12, 21-12, 22-12, 31-12, 32-12, 41-12, 42-12) соответствует единая общая конструкция. Станция СН5(М) состоит из металлического корпуса 10, насосных секций 1 и приводного узла. Корпус служит и баком для смазки, и базой для монтажа узлов и деталей станции. На передней стенке корпуса размещены насосные секции и маслоуказатель. В боковых стенках корпуса находится вал с кулачками, установленный на подшипниках. С одной стороны вал закрыт крышкой 2, с другой стороны размещен привод. В боковых стенках имеется сливные отверстия для жидкой смазки, закрытые пробками 11. Чтобы закрепить станцию смазочную многоотводную СМ5(М) при монтаже в нижней части корпуса предусмотрены крепежные отверстия. В крышке 4 корпуса смонтированы воздушный фильтр 16 и заливной фильтр 5.