Гидроклапан предохранительный МКПВ20/3Ф1
✓ Сертифицированное оборудование
✓ Гарантия надежной эксплуатации
✓ Контроль качества на каждом этапе
✓ Современное оборудование
✓ Быстрая отгрузка
Основные параметры клапана:
Диаметр условного прохода - 20 мм
Давление нагнетания ном. - 20 МПа
Расход рабочей жидкости ном. - 120 л
Тип монтажа : фланцевое

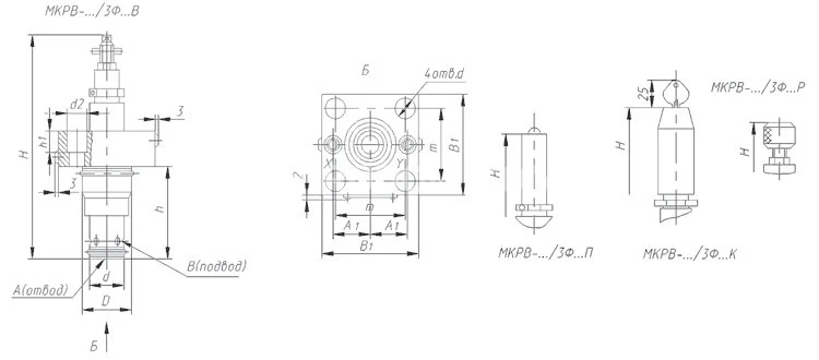
Клапаны редукционные встраиваемые МКРВ (гидроклапаны МКРВ-16/3Ф..., МКРВ-25/3Ф..., МКРВ-32/3Ф...) предназначены для поддержания в отводимом от них потоке рабочей жидкости более низкого давления, чем в подводимом.
Область применения – гидроприводы станков, прессов, литейных и литьевых машин и другого гидрофицированного оборудования.Клапаны трубного монтажа упрощают процесс изготовления трубопроводов, сокращают их количество и облегчают модернизацию существующего оборудования, сохраняя при этом все основные параметры. Эти устройства находят применение в гидроприводах прессов, станков, литейных и литьевых машин, а также в мобильной технике и другом гидрофицированном оборудовании. Гидроклапаны могут работать на минеральных маслах с кинематической вязкостью от 10 до 250 сСт и с фильтрацией до 25 мкм. Температура масла варьируется от +20 до +50°C. Присоединение осуществляется посредством модульного монтажа. Управление может осуществляться с помощью различных механизмов, таких как винт, рукоятка, замковое устройство или колпачок с пломбой. Например, гидроклапан редукционного типа с условным проходом Ду=10 мм и номинальным давлением на входе 32 МПа, имеет настройку давления в диапазоне от 2,0 до 32,0 МПа, регулировку с помощью шестигранного винта и климатическое исполнение для умеренного и холодного климата.