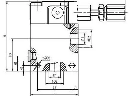
Гидроклапан предохранительный МКПВ20/3Т2Р1
✓ Сертифицированное оборудование
✓ Гарантия надежной эксплуатации
✓ Контроль качества на каждом этапе
✓ Современное оборудование
✓ Быстрая отгрузка
Основные параметры клапана:
Диаметр условного прохода - 20 мм
Давление нагнетания ном. - 32 МПа
Расход рабочей жидкости ном. - 120 л
Тип монтажа : трубное

Гидроклапаны давления предохранительного типа МКПВ предназначены для стыкового и трубного монтажа. Их основное предназначение — защищать гидросистему от перегрузок, поддерживать установленное давление и обеспечивать дистанционную разгрузку путём соединения полости с сливной линией. Эти клапаны могут функционировать и при включённом электромагните пилота, поддерживая заданное давление и осуществляя разгрузку при выключенном, а также наоборот — разгрузка при включенном электромагните.
Гидроклапаны МКПВ находят применение в гидроп приводах различных машин, таких как станки, прессы и литьевые установки. Рабочие жидкости, которые могут использоваться с этими клапанами, включают масла на минеральной основе (HL, HLP) в соответствии с DIN 51524, биологически разлагаемые жидкости по стандарту VDMA 24568, а также рапсовое масло (HETG),полигликоль (HEPG) и синтетические эфиры (HEES).
Необходимо соблюдать общие правила технике безопасности при работе с гидроклапанами типа МКПВ, согласно ГОСТ 31177-2003. Например, при заказе предохранительного гидроклапана МКПВ с условным проходом 20 мм, с корпусом для стыкового монтажа и дистанционным управлением разгрузкой, следует указать: ГИДРОКЛАПАН ДАВЛЕНИЯ ПРЕДОХРАНИТЕЛЬНЫЙ МКПВ-20/3С2Р2 УХЛ4. Это устройство обеспечивает защиту гидросистемы от перегрузок, поддерживает заданное давление и позволяет осуществлять дистанционную разгрузку, соединяя гидролинию управления с сливной линией. Возможно также осуществление различного слива потока управления в зависимости от комбинаций с электромагнитом.