Гидрораспределитель 4WE10 UA40/СG 48 N9DL Rexroth
✓ Сертифицированное оборудование
✓ Гарантия надежной эксплуатации
✓ Контроль качества на каждом этапе
✓ Современное оборудование
✓ Быстрая отгрузка
Основные технические данные
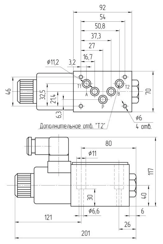
Условный проход : 10мм
Рабочее давление: 35МПа
Пропускная способность: 120л.
Напряжение: 12DC, 24DC, 110AC, 220AC
Тип монтажа: модульный (стыковой, плиточный)
Масса : 4,5 кг с одним эл.магнитом, 6,1 кг - с двумя эл.магнитами
Схема распределения потока рабочей жидкости:


Распределители типа WE представляют собой устройства с электромагнитами, которые управляют запуском, остановкой и направлением потока. Их конструкция включает корпус с одним или двумя электромагнитами, механизм управления и одно или два возвратных устройства. При отключении питания управляющий механизм остается в нейтральном состоянии благодаря возвратным пружинам, за исключением моделей с импульсными функциями. Управление золотником выполняется при помощи мокрого штифта электромагнитов. Для правильной работы необходимо, чтобы камера давления электромагнита была заполнена жидкостью.
Сила, создаваемая электромагнитами, передается через плунжер на механизм управления, что позволяет ему перемещаться из нейтрального положения в нужное конечное, что способствует направлению потока от порта P к A и от B к T или наоборот — от P к B и от A к T. После отключения питания управляющий механизм возвращается в нейтральное состояние под действием возвратных пружин.
Модель 4WE 10 предназначена для распределителей с двумя переключениями и двумя электромагнитами, но не оборудована фиксирующим механизмом. При отключении электромагнитов распределитель не имеет четко фиксируемого положения.
Альтернативная версия, тип 4WE 10., представляет собой импульсный золотник для обозначений A, C и D. Эта версия включает фиксирующий механизм и предназначена для распределителей с двумя переключениями и двумя электромагнитами. В таком случае оба положения переключаются и фиксируются поочередно, устраняя необходимость в постоянном питании для электромагнита.
Следует отметить, что резкие колебания давления в линии, ведущей к нескольким клапанам, могут вызвать нежелательные движения золотника, особенно при использовании клапанов с фиксирующими механизмами. Поэтому рекомендуется либо использовать отдельную линию, либо устанавливать обратный клапан в этой линии.
Что касается картриджного дросселя, его установку необходимо произвести, если в результате специфических условий работы возникают потоки, превышающие допустимые значение, указанные в спецификациях клапана. Дроссель устанавливается в канале P распределителя. Установленные пределы мощности переключения предназначены для приложений с двумя направлениями потока: от P к A и обратно от B к T. Однако допустимый уровень мощности может значительно уменьшаться, если поток осуществляется только в одном направлении. Для получения дополнительных разъяснений в аналогичных случаях рекомендуется проконсультироваться. Параметры мощности, даже в процессе переключения, были измерены с электромагнитами при рабочей температуре с учетом 10% под напряжением и при отсутствии обратного давления в системе.