Гидрораспределитель 4WEH10 HD44/OF6A G24 NZ5L1 Rexroth
✓ Сертифицированное оборудование
✓ Гарантия надежной эксплуатации
✓ Контроль качества на каждом этапе
✓ Современное оборудование
✓ Быстрая отгрузка
Основные технические данные
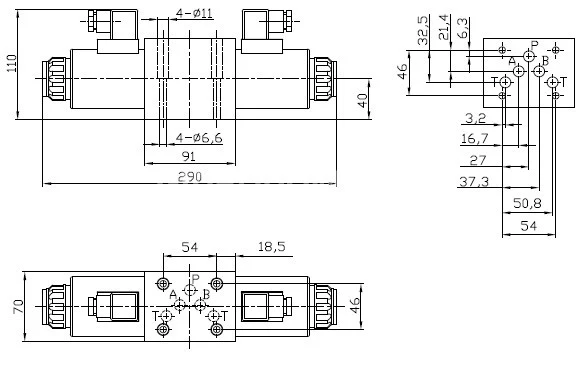
Условный проход : 10мм
Рабочее давление: 35МПа
Пропускная способность: 120л.
Напряжение: 12DC, 24DC, 110AC, 220AC
Тип монтажа: модульный (стыковой, плиточный)
Масса : 4,5 кг с одним эл.магнитом, 6,1 кг - с двумя эл.магнитами
Схема распределения потока рабочей жидкости:


Клапан типа WEH — золотниковый клапан с электрогидравлическим управлением. Он управляет запуском, остановкой и направлением объемного расхода.
Распределитель состоит из главного клапана с корпусом , главного управляющего золотника, одной или двух возвратных пружин , а также управляющего клапана с одним или двумя электромагнитами "а" и/или "b" .
Для безупречной работы из гидравлической системы следует надлежащим образом удалить воздух. Главный управляющий золотник в главном клапане удерживается в нулевом или исходном положении в клапанах с тремя положениями включения с помощью двух пружин, а в клапанах с двумя положениями включения — за счет нагружения давлением и с помощью
пружины. Две пружинные полости и соединяются в исходном положении с баком посредством управляющего клапана без давления. Подача масла в контур управления для управляющего клапана осуществляется по каналу управления . Подвод может быть внутренним или внешним (внешний — по присоединению Х). При управлении управляющим
клапаном, например с помощью электромагнита а, управляющий золотник сдвигается влево, и за счет этого в полость пружины нагнетается давление управления. Полость пружины остается без давления.
Давление управления воздействует на левую сторону главного управляющего золотника и толкает его к пружине . Теперь в главном клапане присоединение Р соединяется с В, А — с Т.
При выключении электромагнита управляющий золотник возвращается в исходное положение (исключение: импульсный золотник). Полость пружины разгружается в бак.
Отвод масла в контуре управления осуществляется внутри (через канал Т) или снаружи (через канал Y). Вспомогательное устройство управления (доступно на выбор) может перемещать управляющий золотник без возбуждения электромагнита. 4-ходовой 3-позиционный распределитель с гидравлическим центрированием главного управляющего золотника, тип WEH…H.
Главный управляющий золотник в главном клапане удерживается в нулевом положении за счет нагружения давлением обеих торцевых поверхностей. Центрирующая муфта упирается в корпус и фиксирует положение управляющего золотника. При снижении давления одной торцевой поверхности главный управляющий золотник устанавливается в положение включения.
Разгруженная поверхность управляющего золотника через управляющий клапан выталкивает отводимое масло контура управления в канал Y (внешний).
При таком варианте исполнения пружины не выполняют функцию возврата в исходное положение. Они удерживают главный управляющий золотник в состоянии без давления и обеспечивают горизонтальную установку в среднем положении.Настройка хода ограничивает ход управляющего золотника . За счет ослабления контргайки и вращения регулировочного винта вправо ход управляющего золотника уменьшается. При этом в полости управления должно быть полностью сброшено давление.Влияние на время срабатывания главного клапана достигается за счет использования обратного клапана сдвоенного дросселя (тип Z2FS 6; технический паспорт 27506).