Гидрораспределитель DS5-S3/12N-D24 Duplomatik
✓ Сертифицированное оборудование
✓ Гарантия надежной эксплуатации
✓ Контроль качества на каждом этапе
✓ Современное оборудование
✓ Быстрая отгрузка
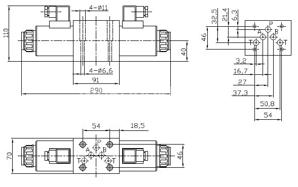
Основные технические данные
Условный проход : 10мм
Рабочее давление: 35МПа
Пропускная способность: 120л.
Напряжение: 12DC, 24DC, 110AC, 220AC
Тип монтажа: модульный (стыковой, плиточный)
Масса : 4,5 кг с одним эл.магнитом, 6,1 кг - с двумя эл.магнитами
Схема распределения потока рабочей жидкости:


DS5 представляет собой золотниковые направляющие клапаны, которые регулируют поток и его направление для установки на плите. Эти устройства могут иметь 3 или 4 порта и оснащаться либо пружинным возвратом, либо механической фиксацией. Корпус клапана изготовлен из прочного чугунного литья с широкими внутренними каналами, что способствует снижению падения давления потока. В конструкции применяются мокрые якорные соленоиды с заменяемыми катушками. Клапан может быть укомплектован как постоянными, так и переменными токами, причем соленоиды постоянного тока также можно подключать к источникам переменного тока через разъемы с интегрированными выпрямительными мостами. Вместо стандартного ручного управления предусмотрены дополнительные элементы, такие как ручка, башмак и механическое фиксирующее устройство. Также клапан может включать монтажный интерфейс с Y-образным сливным портом и фиксированными либо регулируемыми устройствами плавного переключения.
При эксплуатации рекомендуется использовать гидравлические масла на основе минерального масла типа HL или HM в соответствии с ISO 6743-4. В этом случае следует применять уплотнения NBR (код N). Если используются жидкости класса HFDR (фосфатные эфиры),необходимы уплотнения FPM (код V). При намерении использовать иные жидкости, такие как HFA, HFB или HFC, следует обратиться в технический отдел.
Работа с жидкостями при температуре выше 80 °C может ускорить их деградацию и негативно сказаться на характеристиках уплотнений. Поэтому важно поддерживать физико-химические свойства жидкости.
Эксплуатационные пределы клапана определены в соответствии с стандартом ISO 6403, при испытаниях с соленоидами, при номинальной температуре и питающем напряжении, составляющем 90% от номинала. Данные были получены на минеральном масле с вязкостью 36 сСт и температурой 50 °C, а фильтрация соответствовала ISO 4406:1999, класс 18/16/13, и касались стандартного соленоида. Эксплуатационные пределы могут быть существенно снижены, если 4-ходовой клапан используется как 3-ходовой с закрытым портом A или B или с отсутствием течения. Характеристики расхода и давления для регулируемых устройств с плавным переключением зависят от времени переключения. Конфигурации с возвратными и центрирующими пружинами могут устанавливаться в любом положении, тогда как клапаны типа RK, не имеющие пружин и оснащенные механическим фиксатором, нужно устанавливать с горизонтальной продольной осью. Крепление клапана осуществляется с помощью винтов или стяжных шпилек, причем он монтируется на притертой поверхности, которая должна соответствовать указанным в чертеже значениям плоскостности и гладкости. Нарушение минимальных значений плоскостности или гладкости может привести к утечкам жидкости между клапаном и монтажной поверхностью.