Гидрораспределитель KV-4/3-5KO-10G1 KLADIVAR
✓ Сертифицированное оборудование
✓ Гарантия надежной эксплуатации
✓ Контроль качества на каждом этапе
✓ Современное оборудование
✓ Быстрая отгрузка
Основные технические данные
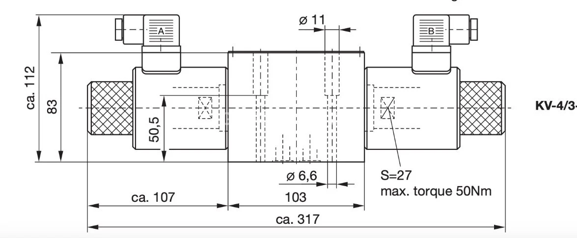
Условный проход : 10мм
Рабочее давление: 35МПа
Пропускная способность: 120л.
Напряжение: 12DC, 24DC, 110AC, 220AC
Тип монтажа: модульный (стыковой, плиточный)
Масса : 4,5 кг с одним эл.магнитом, 6,1 кг - с двумя эл.магнитами
Схема распределения потока рабочей жидкости:


Клапаны направления типа KV с прямым управлением с помощью соленоида обеспечивают управление направлением потока гидравлической жидкости. Эти клапаны состоят из корпуса , управляющего золотника и одного соленоида с двумя возвратными пружинами в 4/2-ходовых распределителях, а также из двух соленоидов с двумя возвратными пружинами в 4/3-ходовых распределителях. В случае 4/3-ходовых распределителей центральное положение управляющего золотника считается нейтральным. Перевод в рабочие позиции (a) и (b) осуществляется за счет подачи питания на соленоиды «a» и «b» соответственно; при этом плунжер соленоида воздействует на управляющий золотник через рабочий штифт , открывая соответствующие потоки и устанавливая нужные связи между портами A, B, P и T.
Когда соленоид отключен, управляющий золотник возвращается в нейтральное положение благодаря действию возвратной пружины . Важно отметить, что переключение также возможно вручную, с помощью аварийного ручного оператора .
Модель KV представляет собой распределитель с двумя рабочими положениями и двумя соленоидами, не имеющими пружин, что позволяет удерживать золотник управления в рабочем положении, даже несмотря на обесточивание соленоидов.
Что касается установки, распределитель управления должен быть размещен горизонтально, с табличкой сверху. В случае несоответствия необходимо удалить клапан для выпуска воздуха. Для этого следует открутить винт для выпуска воздуха и несколько раз переключать золотник в позиции a и b, пока не прекратится образование пузырьков в отверстии для винта. Уровень масла должен быть виден в этой точке, а недостаток масла нужно будет компенсировать по капле из масленки. После этого нужно закрутить винт вентиляционного отверстия. Для поддержания давления масла в камерах пружин необходимо, чтобы в соединении T распределителя поддерживалось постоянное или кратковременное статическое давление масла не менее 4 бар. В противном случае предварительный объем масла, ограниченного клапана, будет просачиваться в канал T через секцию утечки плеча золотника управления. Также следует отметить, что постоянство демпфирования зависит от стабильности вязкости масла, поэтому настройку демпфирующего эффекта лучше всего производить при рабочей температуре системы.