Гидрораспределитель STW0070-14/D32Z4M Rexroth
✓ Сертифицированное оборудование
✓ Гарантия надежной эксплуатации
✓ Контроль качества на каждом этапе
✓ Современное оборудование
✓ Быстрая отгрузка
Основные технические данные
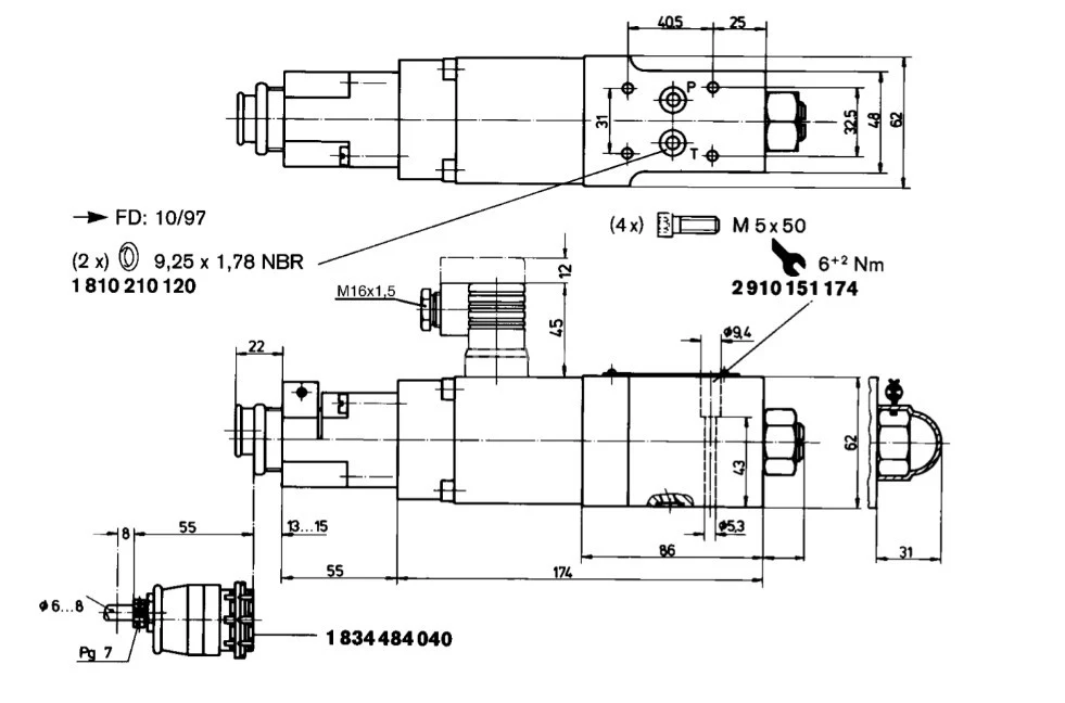
Условный проход : 6мм
Рабочее давление: 35МПа
Пропускная способность: 1л.
Тип монтажа: модульный (стыковой, плиточный)
Масса : 2 кг
Схема распределения потока рабочей жидкости:


Клапаны прямого действия с обратной связью по положению предназначены для ограничения давления в системе. Они регулируются положением якоря относительно пружины сжатия. Позиционное управление обладает высокой магнитной силой и обеспечивает минимальный гистерезис менее 0,3 % (подробные данные представлены в техническом описании и характеристической кривой). Давление ограничивается до безопасного уровня даже при неисправностях в электронике (ток соленоида I превышает Imax). Клапаны устанавливаются на плите с монтажными отверстиями по стандарту ISO 4401-03-02-0-94, возможность заказа плит по каталогу RE 45053. В комплект поставки входят штекерный разъем для соленоида по стандарту DIN 43650-AM2 и штекерный разъем для датчика положения.
Для внешней электроники триггера предусмотрены данные: напряжение питания 24 В постоянного тока, регулировка кривой клапана Np и усиления, а также возможность работы с генератором рампы и без него. Формат карты соответствует европейскому стандарту с установкой от 0 до +10 В (можно заказать отдельно). Для регулировки давления в системе триггерная электроника принимает заданное значение. На его основе электроника управляет положением якоря на пружине сжатия, используя сигнал от датчика положения. Это регулирование обеспечивает очень малый гистерезис, благодаря чему положение сохраняется даже при внешних воздействиях. Дополнительная пружина, расположенная между конусом и седлом, способствует стабильности и минимальному остаточному давлению. Сила действия пружины на конус уравновешивается давлением в седле клапана при постоянном потоке масла (от 0,7 до 1 литра в минуту). Степень давления «pmax» определяется конфигурацией конуса и посадочным отверстием. Ограничение давления обеспечивает максимальную безопасность: если в электронике возникает сбой, приводящий к неконтролируемому увеличению тока соленоида (Imax) выше заданного уровня, давление не поднимается выше уровня, установленного максимальным усилием пружины.
Клапаны типа 4WRDE обладают трехступенчатым направленным управлением, при этом ход управления золотника пропорционален значениям контрольных клапанов. Они регулируют объем и направление потока, открывая результаты в зависимости от положения золотника (10) относительно управляющих кромок (13). В конструкцию входят пропорциональные узлы. Динамика работы клапана оптимизируется посредством двухступенчатого пилотного клапана управления с электрическим усилением. Электроника управления интегрирована в двигатель (1) и гидравлический усилитель (5),который имеет форму клапана (осциллятора, демодулятора). Также в конструкции присутствует клапан пластины сопла и гнездо для управления золотником, а блок (6) служит каскадным усилителем потока для активации третьей ступени (7),отвечающей за управление потоком. Третья ступень включает V-образные золотники, где кромки управления и индуктивный датчик положения (8) крепятся к сердечнику (9) золотника.
При замене пилотного клапана или управляющей электроники на третьей стадии требуется повторная регулировка. Все настройки могут выполнять только обученные специалисты. Положение золотника управления (10) фиксируется с помощью индуктивного датчика (8). Обслуживание пилотного регулирующего клапана возможно только специализированным контуром управления, а индикация уровня положения предоставляется квалифицированными сотрудниками Bosch Rexroth. Замена фильтров и уплотнений происходит в соответствии с инструкциями, указанными в упаковке. Для корректной работы должна быть проверена установка уплотнения и соответствие значениям напряжений, чтобы обеспечить правильное функционирование. Сигнал, создаваемый в результате разницы в напряжении, влияет на пластину заслонки (2) между двумя управляющими соплами , генерируя перепад давления между управляющими камерами. При этом управляющий золотник (4) перемещается, позволяя потоку выйти в соответствующую камеру . Управляющий золотник (10) с прикрепленным сердечником (9) перемещается до тех пор, пока фактическое значение не совпадает с командным. В состоянии компенсации золотник (10) остается в заданном положении.
Важно учитывать, что для получения дополнительных данных о гидравлических жидкостях следует обратиться к соответствующим листам данных, поскольку возможны ограничения по техническим параметрам клапана, включая допустимые температуры, диапазоны давления и интервалы обслуживания. Температура вспышки применяемой гидравлической жидкости должна превышать максимальную температуру поверхности соленоида на 40 К.