пластинчатый насос БГ12-21АМ (5,3 л.)
✓ Сертифицированное оборудование
✓ Гарантия надежной эксплуатации
✓ Контроль качества на каждом этапе
✓ Современное оборудование
✓ Быстрая отгрузка
Технические характеристики:
Номинальная подача, л/мин: 5,3
Номинальное давление на выходе, МПа: 12,5
Частота вращения, об./мин. : 1500 об./мин.
Масса, кг: 10

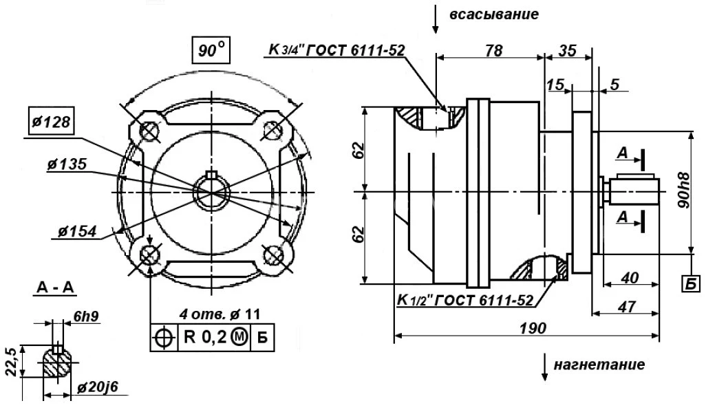
Пластинчатые насосы БГ12 используются в гидроприводах металлорежущих станков и других машин, где необходимо давление до 10 МПа и постоянный поток минерального масла. Вязкость масла должна находиться в пределах 17-213 мм²/с при температуре от +10 до +50 °С. Фильтрация масла осуществляется с точностью 25 мкм. Номинальная частота вращения составляет 1500 об/мин. Насосы соответствуют техническим условиям ТУ 2-053-1342-78.
Пластинчатый гидронасос БГ 12-2 является надежным и эффективным решением для подачи смазок в станках и других стационарных машинах. С производительностью 5,3 л/мин и компактными размерами он идеально подходит для различных промышленных задач. Объем насоса составляет 5 см³, что позволяет эффективно подавать смазочные материалы в систему. Разработанный для работы при высоких давлениях, этот насос обеспечивает стабильное и точное давление в 12,5 МПа, что делает его отличным выбором для технологических процессов, требующих надежного смазывания. Благодаря современным технологиям и прочным материалам, пластинчатый гидронасос БГ 12-2 гарантирует долгий срок службы и безотказную работу вашего оборудования.
Насос БГ 12-2, как и другие модели серии БГ 12-2, представляет собой пластинчатый и нерегулируемый насос, предназначенный для перекачивания рабочей жидкости в гидравлических системах. В его конструкцию входят основные элементы: статор, ротор с пластинами, диск с шейкой и плоский диск.
Статор является корпусом насоса, внутри которого вращается ротор. Ротор представляет собой вращающийся элемент, оснащенный пластинами, создающими давление в жидкости. Пластины, находящиеся в роторе, при вращении выталкивают жидкость. Диск с шейкой соединяет ротор с приводным валом, а плоский диск закрывает рабочую полость насоса.
В процессе работы насоса БГ 12-2 ротор вращается, и пластины, под воздействием центробежной силы, прижимаются к внутренней поверхности статора. В результате образуется увеличенный объем между пластинами, ротором и статором, что приводит к всасыванию жидкости. По мере дальнейшего вращения ротора пластины втягиваются обратно, уменьшая объем и вытеская жидкость в нагнетательный канал. Это повышает давление в нагнетательном канале, что обеспечивает подачу жидкости в гидравлическую систему.