пластинчатый насос Г 12-25АМ (100л.)
✓ Сертифицированное оборудование
✓ Гарантия надежной эксплуатации
✓ Контроль качества на каждом этапе
✓ Современное оборудование
✓ Быстрая отгрузка
Технические характеристики:
Номинальная подача, л/мин: 100
Номинальное давление на выходе, МПа: 6,3
Частота вращения, об./мин. : 960 об./мин.
Масса, кг: 22

Гидравлические насосы модели Г12-2 относятся к типу пластинчатых насосов постоянной производительности центробежного класса и также могут называться лопастными. Они находят широкое применение в машиностроении и гидравлических системах металлорежущих и деревообрабатывающих станков, а также в аналогичных устройствах, где необходимо поддерживать рабочее давление до 6,3 МПа (63 кгс/см²) и постоянный объемный поток гидравлической жидкости.
В соответствии с ГОСТ 15150-69, для климатических условий с умеренным и холодным климатом насосы выполняются по классу исполнения УХЛ.
Пластинчатые (лопастные) насосы Г12-2 специально предназначены для работы с чистыми минеральными (гидравлическими) маслами с кинематической вязкостью от 26 до 214 мм²/с (сСт) при давлениях вплоть до 6,3 МПа. Температурный диапазон рабочей жидкости составляет от -10°C до +60°C, при этом рекомендуются масла ИГП 30 и ИГП 38.
Рабочая жидкость должна обладать чистотой не ниже 12 класса, согласно ГОСТ 17216-71, а её степень фильтрации перед подачей в насос должна составлять 25 мкм.
Насосы производятся с правым направлением вращения вала, однако по специальному заказу можно получить вариант с левым вращением. При монтаже важно учитывать, что неправильное подключение может привести к повреждению рабочей камеры, в результате чего теряется герметичность. Проверка направления вращения осуществляется на короткий срок - не более 5 секунд, визуально следя за вращением крыльчатки электродвигателя.
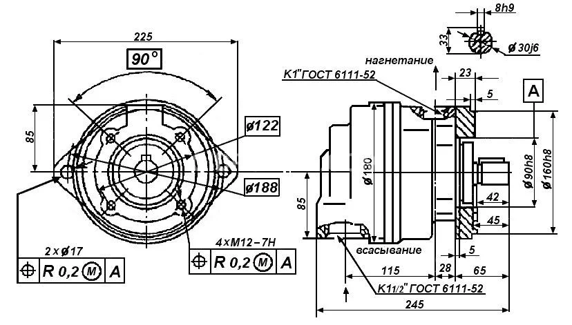
Пример маркировки насоса Г12 указывает на его применение в умеренных и холодных климатических зонах, с правым вращением вала и объемом рабочей камеры 12,5 см³ на давление 6,3 МПа. Насос однопоточного типа Г12-2 состоит из задней крышки, статорного кольца, основного корпуса, диска с шейкой, уплотнительных элементов, крепежного фланца, рабочих пластин, штифтов, вала, пружин и плоского диска.
По принципу работы однопоточный насос Г12-2 аналогичен насосам НПл 12,5/6,3 УХЛ4. Рабочий вал через шлицы приводит ротор в движение, и пластины под воздействием центробежных сил, а затем и давления лифта, находятся в постоянном прижатом состоянии к статорному кольцу. Образующиеся камеры между пластинами и статором во время соединения с окнами всасывания увеличивают объем и наполняются рабочей жидкостью, а при соединении с окнами нагнетания уменьшают его и выталкивают жидкость.
Насос может быть установлен в горизонтальном или вертикальном положении. Передача вращения осуществляется с помощью упругой или полиамидной муфты, с обеспечением соосности валов не более 0,1 мм.
Для защиты от повреждений рекомендуется установить предохранительный клапан, который должен соответствовать производительности насоса. Также гидравлический бак должен соответствовать требованиям ГОСТ 16770-86, а его объем должен быть в два-три раза больше производительности насоса в минуту.
Трубопроводы гидравлической системы должны быть расположены на глубине не менее двух диаметров трубы от дна бака. Углы трубопроводов не должны превышать 45 градусов, а внутренние поверхности должны быть тщательно очищены и надежно уплотнены.
Оптимально погружать насос в бак с рабочей жидкостью, если это невозможно, длина всасывающего трубопровода должна быть минимальной, с соблюдением условий для обеспечения скорости жидкости от 0,5 до 1,5 м/с и необходимым давлением на входе в насос от 0,8 до 12 кгс/см². На всасывающей трубе возможна установка фильтра.
Перед первым запуском насос необходимо заполнить рабочей жидкостью, а регулировка предохранительного клапана должна быть установлена на ноль. Насос должен быть установлен так, чтобы предотвратить полный слив рабочей жидкости; если это невозможно, следует использовать обратный клапан.