Пневмоцилиндр 61M2 P080A0050
✓ Сертифицированное оборудование
✓ Гарантия надежной эксплуатации
✓ Контроль качества на каждом этапе
✓ Современное оборудование
✓ Быстрая отгрузка
Основные параметры клапана:
Диаметр цилиндра, мм: 80
Длина цилиндра: 50
Давление нагнетания ном., МПа: 1

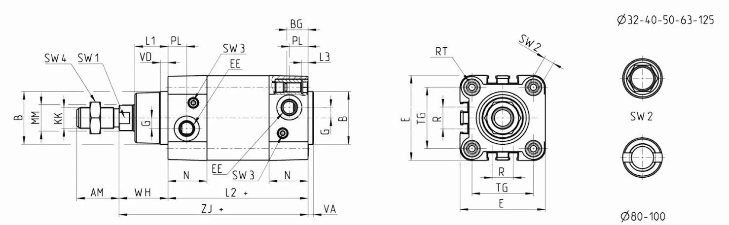
Цилиндры пневматические серии 61 спроектированы по требованиям ISO 15552. Гильза из экструдированного алюминиевого профиля имеет два продольных Т-образных паза на трёх сторонах, чтобы устанавливать магнитные датчики и сохранять те же габариты цилиндра. Шпильки размещены внутри гильзы, что улучшает внешний вид цилиндра. Конструкция цилиндров безопасна и удобна для санитарной обработки и мытья, что особенно важно в пищевой промышленности.
Положение поршня определяется магнитными датчиками положения, которые устанавливаются непосредственно в пазы корпуса цилиндра. В серии применены тормозные устройства на конце хода с регулировкой интенсивности. Кроме того, поршень снабжен пластиковыми шайбами, обеспечивающими тихую остановку в крайних положениях.
Основные характеристики
по стандарту ISO 8573-1:2010 [7:8:4].
Конструкция: стяжные шпильки внутри профиля.
Одностороннее действие с пружинным возвратом; двустороннее действие; тандем, с низким трением (только двустороннее).
Материалы: крышки и поршень — алюминий; шток — нержавеющая сталь AISI 420B; гильза — анодированный алюминий; гайки и шпильки — оцинкованная сталь; манжеты — PU; для версии с низким трением применяются стандартные материалы с манжетами поршня и штока из NBR (манжета поршня FKM — по запросу); для низкотемпературной версии стандартные материалы, шток — нержавеющая сталь AISI 420B с хромированным покрытием, скребок — латунь; гайки — нержавеющая сталь AISI 303, шпильки — нержавеющая сталь AISI 420B; манжеты поршня и штока — PU.
Крепление: передний/задний фланец, лапы, центральная/передняя/задняя подвески, шарниры.
Ход (мин.-макс.): 10–2700 мм (с шагом 1 мм).
Рабочая температура: стандартная/с низким трением — 0°C ÷ 80°C (при сухом воздухе -20°C); низкотемпературная версия — -40°C ÷ 60°C (при сухом воздухе -40°C); версия для -50°C — -50°C ÷ 60°C (при сухом воздухе -50°C).
Рабочее давление: 1 ÷ 10 бар (стандартная/низкотемпературная); 0,1 ÷ 10 бар (с низким трением).
Скорость (без нагрузки): 10 ÷ 1000 мм/с (стандартная/низкотемпературная); 5 ÷ 1000 мм/с (с низким трением).
Рабочая среда: очищенный воздух без необходимости масляного распыления согласно ISO 8573-1:2010 [7:4:4]. Требуется установка центробежного фильтра 25 мкм, обеспечивающего соответствие классу чистоты воздуха.
Компания Camozzi Spa сохраняет за собой право изменять модели и размеры без уведомления.